Jump to content

5 Screenshots

About This File

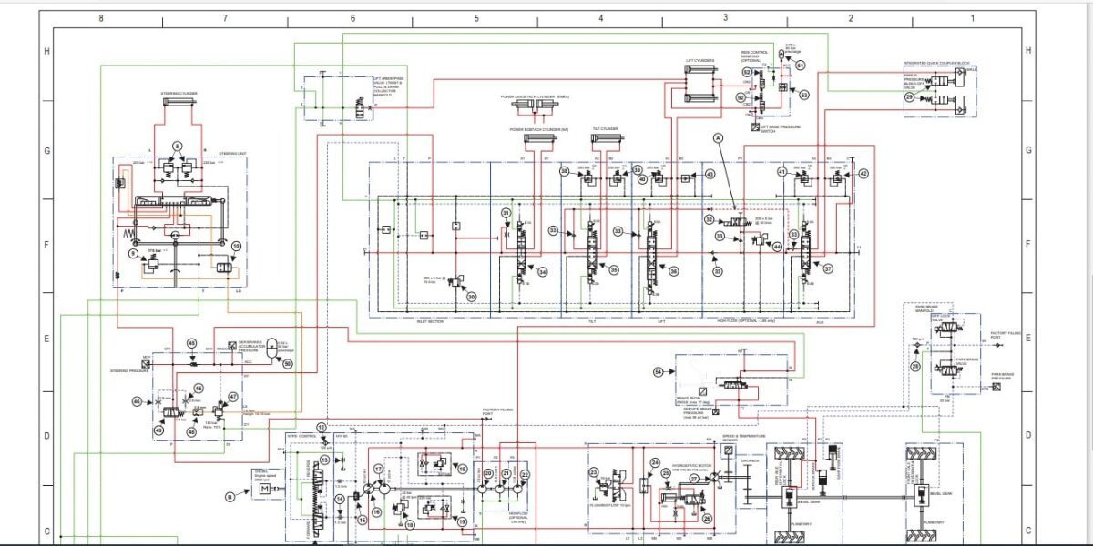
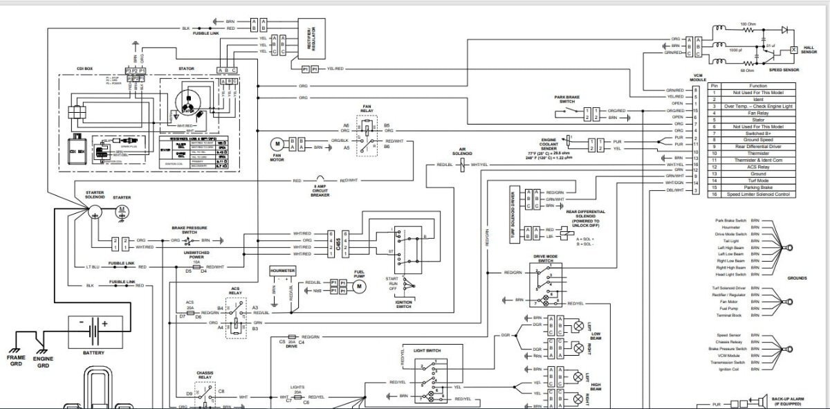
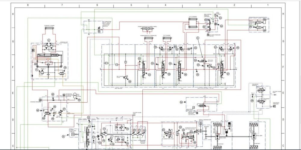
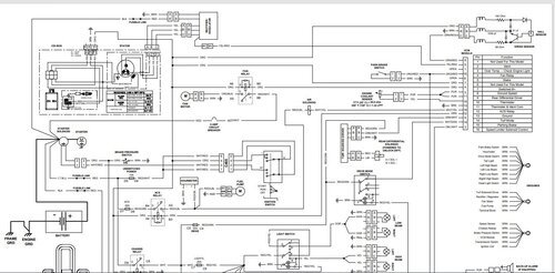
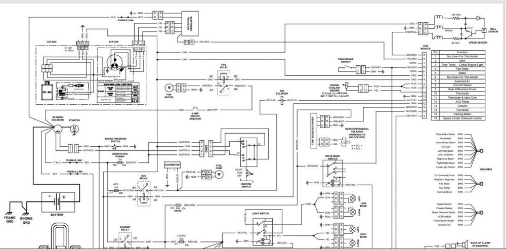
Bobcat BATS v2.4 + Update Full

Bobcat Advanced Troubleshooting System (BATS) - All technical information for Bobcat excavators/loaders/telescopic handlers. Wiring diagrams, error codes, service bulletins, modifications, etc.

Dy7ogt0.jpgFU3FhDQ.jpgwSfHrby.jpgiEojOP1.jpgsPmfgy3.jpg

HOW TO DOWNLOAD 👇

 

 


User Feedback

Join the conversation

You can post now and register later. If you have an account, sign in now to post with your account.

Guest
×
×
  • Create New...