About This File
Range Rover (L405; 2014-2019) Workshop Manual + Wiring Diagrams
Range Rover L405 2014-2019 Workshop Manual & EWD
Size:197 MB
Format: PDF
Language: English
Brand: Range Rover
Type of document: Service Manual, Repair Manual, Workshop Manual, Wiring Diagrams
Model: Range Rover Sport L405 Workshop Repair Manual & EWD
Content:
Automatic TransmissionTransaxle
Battery and Charging System
Body and Paint
Brake system
Climate Control System
Driveline
Electrical Distribution
Electronic Feature Group
Engine
Exhaust System
Fuel System
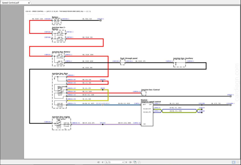
iEWD
Information and Entertainment Systems
Instrumentation and Warning Systems
Lighting
Manual TransmissionTransaxle
Service manual
Steering system
Suspension
Uni-Body, Subframe
HOW TO DOWNLOAD
